Configuration Method and Apparatus of Bidirectional Switched-Capacitor Converters
- Field
- Electronics
- Patent
- IP00524
Key Problem and Market Opportunity
- The existing commercial power supplies are mainly inductor-based converters. Those converters are usually heavy, bulky and low power density due to the inductor-based (magnetic) elements. They are also unsuitable for high-temperature environment.
- Magnetic-less switch-capacitor converters are conventionally in high complexity, and high switch’s and capacitor’s stress.
- The global DC-DC converters market was valued at US$3.46 Billion in 2016 by MarketsandMarkets1
1.http://www.marketsandmarkets.com/Market-Reports/global-dc-dc-converter-market-17565254.html
Key Advantages of the Technology
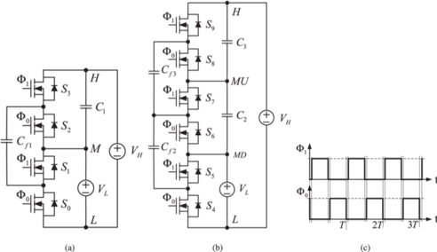
- Novel family of switched-capacitor (SC) converter composed of basic modules. (Fig 1)
- A bidirectional SC converters with high-gain ratio of any positive integer
- Conversion ratio being flexible means suitable for many applications
- The input and output of the proposed converters are of common ground
- Lower number of switches and capacitors and lower switch's and capacitor's stress
- Easy control and Simple driver circuits
- The efficiency of a nine-time SC converter prototype (Fig 2), operating at 20-V input voltage and 100-W output, is higher than 98% (without driver's loss) or 95.5% (including the driver's loss) over the entire load range between 25 and 100 W. (Fig 3)
- The output voltage ripple is less than 1%.
Potential Product and Services
- Highly efficient, Light-weight and compact DC-DC power converters.
- For example, battery applications for distributed renewable energy resources
Development Status and IP Strength
- EP (PCT) Application No. 15882965.5
- US (PCT) Application No. 15/546,574
- PRC (PCT) Application No. 201580076950.5
- Device prototype is available in laboratory scale

